?
如果你也想拥有一台数字压力计的话,就来找上海实干看看吧,上海实干生产直销的SGFF推拉力仪数据输出功能,可将数据通过数据线输入电脑做各种分析。是一种高精度便携式拉力、压力测试仪器。法兰式推拉力仪广泛应用于高低压电器、电子、化工、机械、IT等行业和科研机构作拉压负荷、插拔力测试、破坏性试验等,是数字型的新一代拉压力测试仪器。如自行车前叉装配过程、压铸成型过程、滚轧、拉拔、锻造或冲压以及在纵向压紧、装配、铆接的过程应力监控;对成品的检测如汽车刹车力、振动试验应变力、材料拉压力试验等。通过对这些数据的分析、记录,制造过程可以重复进行,产品质量得到检测、记录和提高,同时可建立起产品质量档案,对产品材料、制造、装配、安装等环节进行监控和记录,形成产品质量跟踪机制,可有效防止产品质量纠纷。
数显法兰式压力计特点:
(1)可测量力、力矩、拉力、压力;
(2)体积小巧,防护等级高(IP65)适用于较复杂的生产环境;
(3)宽电源电压范围:85~26CV对于测力设备电压波动性大这一特性有良好的适应性;
(4)高采样速率:100次/秒;
(5)可自动/手动采样,软件功能可订制,可显示和打印极值; 在测力报警系统中采用仪表的好处:除了上位机显示外,还可直接在仪表上显示,使设备操作更安、可靠。

数显法兰式压力计功能特点:
★高精度高分辨率。
★6位大屏幕显示。
★背光功能。
★LCD液晶显示屏翻转功能。
★自动关机时间设置功能。
★电池容量显示功能。
★六种测试模式、三种显示方式可供选择——极程度提高测试效率。
★N(牛顿)、kg(公斤)、lb(磅)三种计测单位可供选择、相互换算。
★重力加速度设置功能——用户可自行输入使用地的重力加速度准确值。使测试及单位换算更为准确。
★峰值保持功能。保持峰值显示直至手动清零。测量出峰值可以***确认仪器力矩值
★自动峰值功能,保持显示峰值2秒后自动解除。
★可设定上下限及比较值做统计分析。
★数据储存功能,可储存447个测试值。
★数据输出功能,可将数据通过数据线输入电脑做各种分析。
★绿色环保,10分钟无操作自动关机。
★高品质充电电源。充电电压从100V至 240V可用,可适应国内、国外***大多数地区。还有短路、漏电、过载保护功能。
★特有的开关接点通断力测试功能,使开关通断力测试更准确。
★2套安装尺寸,适应国内外多种测试机台,方便用户安装到机台上使用。

数显法兰式压力计规格参数:
|
型号规格 |
SGFF-100K |
SGFF-200K |
SGFF-300K |
SGFF-500K |
SGFF-1000K |
|
较大负荷值 |
100KN |
200KN |
300KN |
500KN |
1000KN |
|
负荷分度值 |
0.1KN |
0.1KN |
0.1KN |
0.1KN |
01KN |
|
传感器结构 |
法兰式(外置式) |
||||
|
精 度 |
±1% |
||||
|
显示器外形尺寸 |
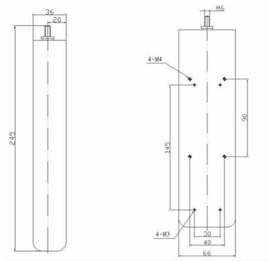
230x66x36mm |
||||

显示器外形尺寸图:

曲线显示示意图如下:

上海实干实业有限公司版权所有 沪ICP备11001055号-26
全国服务电话:021-60515896 传真:13296245896
公司地址:上海松江新桥镇中街199弄24-26号 网站地图
